産品詳(xiang)情
産品概述
手(shou)柄消防溝槽蝶(dié)閥具有安裝快(kuài)速、簡易、安全、可(ke)靠、不受安裝場(chǎng)地限制、便于管(guan)道與閥門的維(wéi)修保養🎯,有隔👄振(zhèn)隔音與🙇♀️一定的(de)角度範圍内有(yǒu)克服管道連接(jie)不同軸而産生(shēng)仿差⭐,解決溫差(chà)所産生熱脹冷(leng)縮等優點。廣泛(fàn)應用于輸送流(liú)體管道的給排(pai)水,消防、空調、燃(ran)氣、石油、化工、水(shuǐ)處理、市政、造船(chuan)等管道工程作(zuò)爲控制流體🛀🏻作(zuò)用。
産品特點
1、閥(fá)門采用中線型(xíng)密封結構設計(ji),扭矩輕,密封性(xìng)能好;
2、蝶闆、閥杆(gǎn)采用無銷設計(ji)連接,連接可靠(kào)性好;
3、蝶闆整體(tǐ)采用包膠硫化(hua),耐腐蝕性好;
4、閥(fá)門與管道的連(lián)接采用卡箍連(lián)接形式,安裝方(fang)便、快速;
5、閥門的(de)驅動方式多樣(yàng)化,可配置把手(shou)操作、蝸輪蝸杆(gǎn)操作、電動及氣(qi)動操作方式。
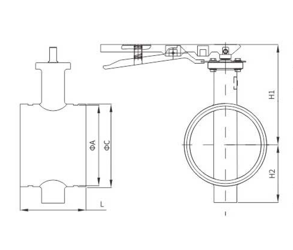
主(zhu)要外形連接尺(chi)寸
|
型(xing)号 |
DN |
Φ C |
|
|||
|
ZSDF 8-Q-50-16-D81X |
50 |
57.2 |
88 |
136 |
62 |
|
|
ZSDF 8-Q-65-16-D81X |
65 |
72.3 |
76.1 |
142 |
70 |
|
|
ZSDF 8-Q-80-16-D81X |
80 |
84.9 |
88.9 |
96 |
149 |
79 |
|
100 |
110.1 |
114.3 |
173 |
94 |
||
|
ZSDF 8-Q-125-16-D81X |
135.5 |
139.7 |
115 |
187 |
108 |
|
|
|
160.8 |
165.1 |
132 |
201 |
蘇公網安(ān)備 32010202011315号